世纪公牛 世纪公牛
电动真空泵系列
电机转向泵
滑片压缩机
电动水泵系列
电气控制盒
电子油门踏板系列
其他产品系列
更多产品系列>>   
 
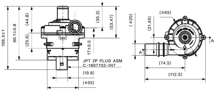
电动水泵系列 >> 电动水泵

产品介绍:
电动水泵是电动汽车液冷驱动系统、液体电加热空调系统和BMS热管理系统的关键组成部件,电动水泵的作用是通过对冷却液进行加压,保证其在冷却系统中循环流动,使冷却液通过水箱散热器进行散热。





  
 
  版权所有© 2013-2015 温州云朗机电科技有限公司 All rights reserved.     技术支持:捷科网络

咨询热线:0577-6258 1981